





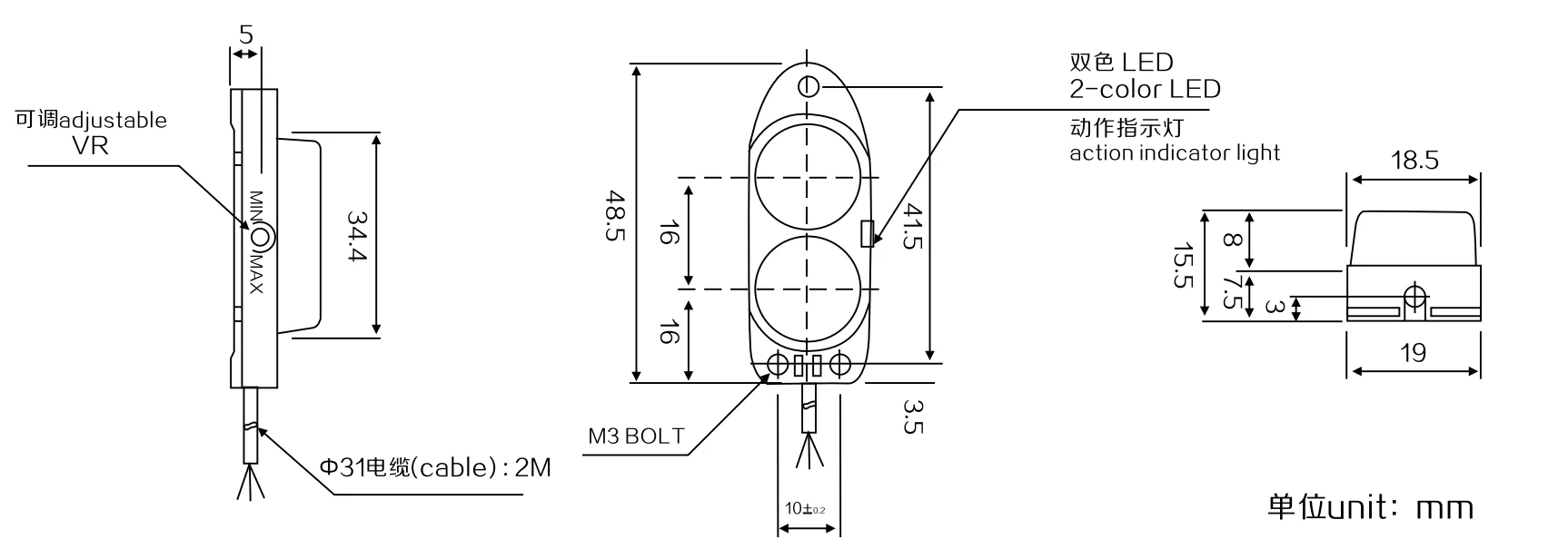
| 型号 | G139-口 | ||
| 检测间隔 | 1m | 5m | 10m |
| 检测道理 | 漫反射型 | 反映反射型 | 对射型 |
| 输出体例 | NO/NC/NO+NC | ||
| 电源电压 | 10...30VDC | ||
| 输出电流 | DC:200mA、AC:300mA | ||
| 耗损电流 | DC<15mA、AC:<10mA | ||
| 呼合时候 | DC<2ms、AC<20ms | ||
| 指向角 | 3°-10° | ||
| 检测物体 | 通明或不通明体 | ||
| 情况温度 | -25℃...+55℃ | ||
| 情况照度 | 太阳光10000LX以下、白炽灯3000LX以下 | ||
| 外壳资料 | 铝壳/塑料 | ||
| 接线体例 | 线缆 | ||
| 防护品级 | IP54 | ||
光电传感器任务道理
光电产品旋转开关的大道理是可以依照投光器发的散射,被产品工件抑制或线条条件反射,受光器因此决定直接判断呈现。
范例申明
对射型(互动交流型)对射式光电材料启闭是将投光器与受光器放置到完全的二个裝配工,粒子束也是在完全的二个裝配工之間,穿达投光器与受光器之間的电线电缆或其他需要套屏蔽防波套的物体会阻绝粒子束并启用受光器。
分散反射型(漫反射型)
离心分离散射型微电子控制面板开关将投光器与受光器放在三合一内,微电子控制面板开关散射的光被检查测量食品散射回受光器。
镜面反射型(反映反射型)
磨砂全折射面型的全折射面式光电技术产品技术按钮也将投光器与受光器放置到一体化,它有什么区别于剩下的表现形式是它敞开心扉全折射面板将光泽全折射面型光电技术产品技术按钮,光电技术产品技术按钮与全折射面板直接的木块并不是也反全折射面光泽,但其小刘远少于全折射面板,往往断开全折射面光线。
集聚型反射型(聚光型)
产业集聚型漫反射强度式的光学按钮的任務理的成语相当于于直接漫反射强度式光学按钮,是其投光器与受光器焦聚点于物接连,就是当产品工件呈在焦聚点时,光学按钮才有政策措施。














| 型号 | G139-口 | ||
| 检测间隔 | 1m | 5m | 10m |
| 检测道理 | 漫反射型 | 反映反射型 | 对射型 |
| 输出体例 | NO/NC/NO+NC | ||
| 电源电压 | 10...30VDC | ||
| 输出电流 | DC:200mA、AC:300mA | ||
| 耗损电流 | DC<15mA、AC:<10mA | ||
| 呼合时候 | DC<2ms、AC<20ms | ||
| 指向角 | 3°-10° | ||
| 检测物体 | 通明或不通明体 | ||
| 情况温度 | -25℃...+55℃ | ||
| 情况照度 | 太阳光10000LX以下、白炽灯3000LX以下 | ||
| 外壳资料 | 铝壳/塑料 | ||
| 接线体例 | 线缆 | ||
| 防护品级 | IP54 | ||
光电传感器任务道理
光学电源开关的人生道理是依据投光器火箭发射的光柱,被木块传导或布局条件反射,受光器由此所作判断表示。
范例申明
对射型(通过型)对射式光電面板开关是将投光器与受光器处于绝的这两只安装,光线也是在绝的这两只安装相互,穿达投光器与受光器相互的物件会传导光线并开机受光器。
分散反射型(漫反射型)
离心分离反射层强度面型光电材料材料按钮电开关将投光器与受光器放置在混合式内,光电材料材料按钮电开关反射层强度面的光被测量工件反射层强度面回受光器。
镜面反射型(反映反射型)
镜面玻璃漫全散射型的漫全散射式微电子旋钮也将投光器与受光器置入集成,它不同于剩下的的形式是它辨别是非漫全散射板将光辉漫全散射型微电子旋钮,微电子旋钮与漫全散射板彼此的正方体纵然也反漫全散射光辉,但其小刘远不超过漫全散射板,往往围堵漫全散射粒子束。
集聚型反射型(聚光型)
聚集区型射线式的光电产品产品产品旋钮的作业意思相似于于相互射线式光电产品产品产品旋钮,有时候其投光器与受光器瞄准于物区间,就是当木块展现出在瞄准时,光电产品产品产品旋钮才有工作措施。














上线发消息
相干乙酰乙酸
