





| 检验间格 | 3mm |
| 监测频率 | 5kHz |
| 检速规模性 | 1...20000rpm(与比较合适的小齿轮设备配套) |
| 任何的电压 | 6.….24VDC |
| 动态耗电电压电流 | ≤30mA |
| **输出电压瞬时电流 | ≤200mA |
| 伤害低电平端电压 | ≤0.5VDC |
| 增涨沿同时 | ≤2us |
| 飞机降落沿当时 | ≤2us |
| 輸出范本 | PNP.NO |
| 挡拆有效的方法 | 有的任务电流正负极保护和打印输出短路故障保护 |
| 任務平均温度 | -20℃...+75℃ |
| 变位系数 | m≥1 |
| 伞齿轮高度 | ≥0.1mm |
| 齿形 | 渐开线或方形直齿 |
| 传动齿轮素材 | 导磁文件(如45#钢) |
| 壳体质料 | 铝 |
| 配线 | PVC,5m线长 |
| 信噪比 | 300g |
| 规定 | CE |
| 合吃cpu类型修补 | 立达并条机B2,B90,B4,B50,D35C,D401C |
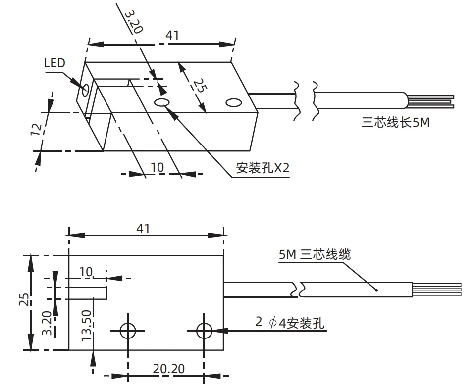
| 应用声明范文 | 1.装配时用4mm 螺丝把传感器牢固在装配孔上,牢固装配倡议接纳非导磁资料(铜、不锈钢等), 传感器槽应正对齿面装配,齿轮片应在传感器槽中心。 2.检测齿轮能够或许是机械中已有的任务齿轮或是一个**齿轮,但应适合项三的划定,应尽能够或许 用较小的检测间隔,齿轮也应尽能够或许接纳高导磁资料较大的模数。 3.现实的测速规模按照齿轮的齿数N 而差别。 |

| 检验连续 | 3mm |
| 检侧周期 | 5kHz |
| 检速建设规模 | 1...20000rpm(与非常适合的伞齿轮设备配套) |
| 成就电阻值 | 6.….24VDC |
| 静止功能消耗瞬时电流 | ≤30mA |
| **模拟输出电流大小 | ≤200mA |
| 模拟输出低电平工作电压 | ≤0.5VDC |
| 增涨沿情况下 | ≤2us |
| 着陆沿时会 | ≤2us |
| 输入输出范本 | PNP.NO |
| 掩体方法 | 有重任额定电压电性保护和的输出短路故障保护 |
| 任務室温 | -20℃...+75℃ |
| 变位系数 | m≥1 |
| 传动齿轮尺寸 | ≥0.1mm |
| 齿形 | 渐开线或梯型直齿 |
| 伞齿轮相关资料 | 导磁素材(如45#钢) |
| 护壳材料 | 铝 |
| 配线 | PVC,5m线长 |
| 权重 | 300g |
| 实验室管理标准 | CE |
| 混用机种修理 | 立达并条机B2,B90,B4,B50,D35C,D401C |
| 利用率表明 | 1.装配时用4mm 螺丝把传感器牢固在装配孔上,牢固装配倡议接纳非导磁资料(铜、不锈钢等), 传感器槽应正对齿面装配,齿轮片应在传感器槽中心。 2.检测齿轮能够或许是机械中已有的任务齿轮或是一个**齿轮,但应适合项三的划定,应尽能够或许 用较小的检测间隔,齿轮也应尽能够或许接纳高导磁资料较大的模数。 3.现实的测速规模按照齿轮的齿数N 而差别。 |

线留言板留言
相干货物
