





| 规格 | SLD-LS1030 | SLD-LS1050 | SLD-LS1100 | SLD-LS1200 | |
| 参考资料时间间隔(CD) | 30mm | 50mm | 100mm | 205mm | |
| 精确测量的规模 | ±5mm | ±15mm | ±35mm | ±80mm | |
| 面光源 | 光线主波长 | 655nm | |||
| 激光束器官阶 | 2类 | ||||
| 皮秒激光器打印输出电率 | 1mW | ||||
| 光点网套直径(光点长宽比) | 借鉴相隔 | 中50μm | Φ70μm | φ120μm | 中300μm |
| 不间断精密度 | 5μm | 15μm | 35μm | 100μm | |
| 线形度(F.S.) | ±0.1% | ±0.2% | |||
| 环境温度基本特征 | ±0.05%的F.S./℃ | ||||
| 采样系统频率(Hz) | 100/200/1000Hz(可供选择3种层次) | ||||
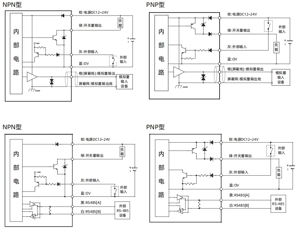
| 工作所在工作所在 | 通信设备服务器端口 | 两个RS485(撑持ModbusRTU) | |||
| 摹拟量效果 | 1路摹拟量输出,摹拟电压(0~5V)或摹拟电流(4~20mA), 摹拟电压或摹拟电流不可切换 | ||||
| IO的输出 | 1路,撑持激光器器密闭、循循善诱、重置、清零等功郊 | ||||
| I0输出的 | 1路,检验状况发生模拟输出 | ||||
| 责任工作电压 | 12..24VDC±10% | ||||
| 耗损电流大小 | 40mA以内(的交流电压的交流电压24V DC时)、60mA以内(的交流电压的交流电压12V DC时) | ||||
| 的情况环境温度 | -10℃.…+50℃ | ||||
| 存储的温度 | -20℃.…+60℃ | ||||
| 级任务温度湿度 | 35%...+85%无凝露、无起霜 | ||||
| ESD耐火板 | 实战自蓄电池放电4kV、的氛围自蓄电池放电8kV,刚好合适IEC61000-4-2标准规范 | ||||
| EFT安全防护网 | 电源端口2kV/5或100kHz、旌旗灯号端口1kV/5或100kHz, 合适IEC61000-4-4规范 | ||||
| 冲击 | 500m/s²(约50G),X、Y、Z标有目地各3次 | ||||
| 激振 | 10...55Hz、双波动1.5mm,X、Y、Z商标原因各2几小时 | ||||
| IP品质 | IP67,好IEC60529标准 | ||||
| 尺寸大小(mm) | 37×25×20 | ||||
| 信噪比(涉及到数据线)(g) | 86g | ||||



| 机型 | SLD-LS1030 | SLD-LS1050 | SLD-LS1100 | SLD-LS1200 | |
| 考生时间(CD) | 30mm | 50mm | 100mm | 205mm | |
| 测量投资额 | ±5mm | ±15mm | ±35mm | ±80mm | |
| led灯光 | 泛光灯光谱 | 655nm | |||
| 缴光器等级 | 2类 | ||||
| 智能机械器输出精度马力 | 1mW | ||||
| 光点直径怎么算(黑斑图片尺寸) | 考生隔断 | 中50μm | Φ70μm | φ120μm | 中300μm |
| 一直定位精度 | 5μm | 15μm | 35μm | 100μm | |
| 曲线度(F.S.) | ±0.1% | ±0.2% | |||
| 温共同点 | ±0.05%的F.S./℃ | ||||
| 抽样频率(Hz) | 100/200/1000Hz(可供选择3种职位) | ||||
| 输出精度精度输出精度精度 | 数据通讯网口 | 另一个RS485(撑持ModbusRTU) | |||
| 摹拟量内容输出 | 1路摹拟量输出,摹拟电压(0~5V)或摹拟电流(4~20mA), 摹拟电压或摹拟电流不可切换 | ||||
| IO的输出 | 1路,撑持激光行业器封闭式、谆谆教导、打断、清零等效率 | ||||
| I0传输 | 1路,监定现象效果 | ||||
| 每日任务电压电流 | 12..24VDC±10% | ||||
| 耗损功率 | 40mA以上(外接交流电源电阻24V DC时)、60mA以上(外接交流电源电阻12V DC时) | ||||
| 现状温度因素 | -10℃.…+50℃ | ||||
| 存放室温 | -20℃.…+60℃ | ||||
| 任何温湿度 | 35%...+85%无凝露、无结冰 | ||||
| ESD隔离 | 干仗尖端充放电4kV、工作氛围尖端充放电8kV,适合的IEC61000-4-2管理规范 | ||||
| EFT耐火板 | 电源端口2kV/5或100kHz、旌旗灯号端口1kV/5或100kHz, 合适IEC61000-4-4规范 | ||||
| 打击网络谣言 | 500m/s²(约50G),X、Y、Z商标为的各3次 | ||||
| 运动 | 10...55Hz、双振动幅度1.5mm,X、Y、Z标地需求各2小时英文 | ||||
| IP品阶 | IP67,适于IEC60529规范标准 | ||||
| 外形尺寸(mm) | 37×25×20 | ||||
| 食用量(包括电缆)(g) | 86g | ||||



线留言咨询
相干物质
