





| 型号 | LMH1-口 |
| 检测间隔 | 6mm,10mm,15mm,20mm |
| 输出电压降 | ≤3V |
| 耗损感应电流 | DC:12V ,lop8mA; DC:24V ,lop15mA |
| 任务电流 | S200mA |
| 呼应频次 | 1000HZ |
| 情况温度 | -25℃...+75℃ |
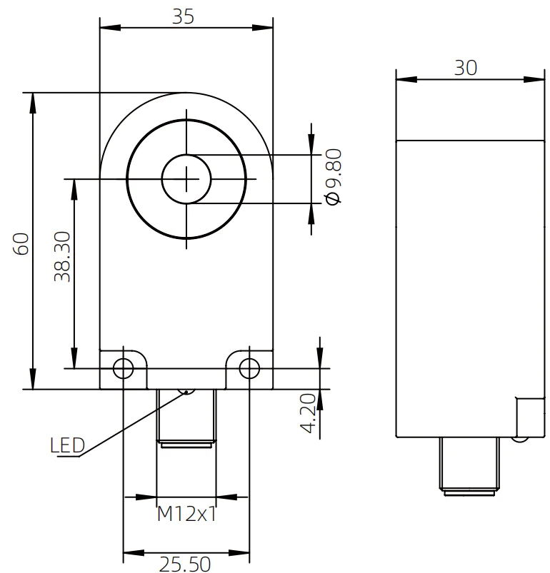
| 外壳厚度 | 30mm(M12接插件) |
| 外壳资料 | 金属 |
| 毗连范例 | 2m PVC |
| 防护品级 | IP67 |

| 型号 | LMH1-口 |
| 检测间隔 | 6mm,10mm,15mm,20mm |
| 输出电压降 | ≤3V |
| 耗损功率 | DC:12V ,lop8mA; DC:24V ,lop15mA |
| 任务电流 | S200mA |
| 呼应频次 | 1000HZ |
| 情况温度 | -25℃...+75℃ |
| 外壳厚度 | 30mm(M12接插件) |
| 外壳资料 | 金属 |
| 毗连范例 | 2m PVC |
| 防护品级 | IP67 |

在线上留言咨询
相干货物
