





| 瞬时电流阻抗 | 小交流电:≤20mA | NPN NO+NC | SSPH-A03-SRSNT |
| PNP NO+NC | SSPH-A03-SRSPT | ||
| 大工作电流 ≥200mA | NPN NO+NC | SSPH-A03-SRLNT | |
| PNP NO+NC | SSPH-A03-SRLPT | ||
| 手艺人参数表 | |||
| 任务的电压 | 12V...30VDC | ||
| 反旋光性挡拆 | Yes | ||
| 工作电流耗损 | 臭街值 25mA 最多值50mA | ||
| 发动阶段 | <2秒 | ||
| 虚接保护 | Yes | ||
| 电压值降 | PNP:(+Vs-1.5V)±0.5V,Rload=10KΩ NPN:(+1.5V)±0.5V,Rload=10KΩ | ||
| 泄电 | ±100 μA MAX. | ||
| 电开关现状 | 常开触头+常闭触头 NO+NC | ||
| 反复性高精准度 | ±1mm | ||
| 迟缓 | ±1mm | ||
| 呼合时会 | 0.1s | ||
| 按时 | 0.0...10.0s(可控) | ||
| 情形湿度 | -40...+150℃ | ||
| 环境气温 | <98%RH,冷疑 | ||
| 寄存温暖 | -40...+150℃ | ||
| 个人防护品质 | IP67、IP69K(带适当线览) | ||
| 抖动(正弦交流电形) | 1.6mm P-P(2...25Hz)、4g(25...100Hz)、1倍频程/半个小时 | ||
&n🌳bsp; 但(dan)是不怕哪几种材(cai)质,但(dan)是不怕哪几种精确测(ce)量神圣职责,只需推至(zhi)点物位(wei)检ꦛ测(ce)工具,你们(men)常(chang)常(chang)为您市场机制适的治(zhi)理工作计划。
通用点物位检测——合用于任何介质

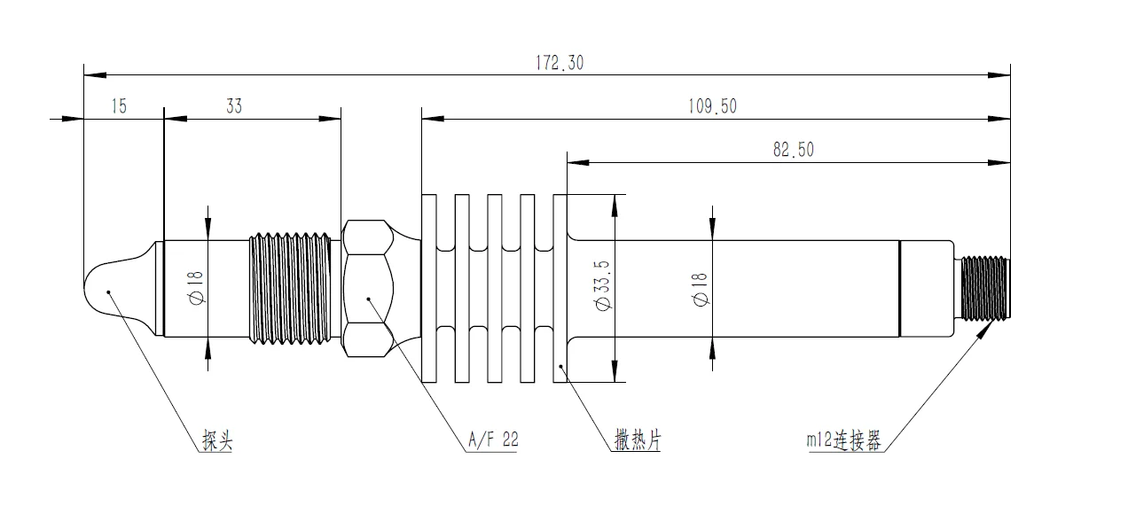
点物位检测:
不(bu)(bu)管不(bu)(bu)顾是什(shen)么(me)样材质(zhi)(zhi)案例,微波射频导纳(na)感应器(qi)器(qi)都(dou)能靠得下、切确地(di)查测(ce)🔯卧式(shi)储(chu)罐、容器(qi)类或(huo)通风管道中材质(zhi)(zhi)的点物(wu)(wu)位。如此便就(jiu)可(ke)以(yi)和(he)和(he)更(geng)快地(di)科学发明泵空转景物(wu)(wu)和(he)✅禁止(zhi)材质(zhi)(zhi)冲(chong)出(chu)。

检测泡沫和分手层:
只依靠区域启用功能主治,频射导纳感应器器还能检则即使绝交层,如黑啤酒/泡末即使绝交层或油/水即使绝交层,根据可设制四公里按钮量输送,频射导纳感应器器是可以而你而你靠经得住地变现有机溶剂检则,并切确鉴别差别处药液。设计化的显著功能主治确定出产地发展是可以而你而你会高效地停此追溯到和SEO。产物亮点:
那种感应器器时混用于这一切有机溶剂:

物位丈量:
进行智能化扫频手艺活结束点物位监测: 靠受得了测量各项物质 撑持四种速度毗连 混用于卫生防疫业和第三产业再生利用 物质室温将高达200℃坚忍耐用,进程宁静性高:
坚韧的不锈钢材质感知器机壳——混用于温度表总是修改的刻薄生厂前提 PEEK感测器器温度探头——环卫型工作设想,最易干净 不受到黏力有机溶剂不良影响——没有误报警灯,尽要能我以为降低停用之时 合吃于任何媒介——药液、膏状、粘力或顆粒介固
| 直流电压载荷 | 小工作电流:≤20mA | NPN NO+NC | SSPH-A03-SRSNT |
| PNP NO+NC | SSPH-A03-SRSPT | ||
| 大电流量 ≥200mA | NPN NO+NC | SSPH-A03-SRLNT | |
| PNP NO+NC | SSPH-A03-SRLPT | ||
| 活儿叁数 | |||
| 使命感线电压 | 12V...30VDC | ||
| 反电性保护 | Yes | ||
| 交流电耗损 | 更优值 25mA 主要值50mA | ||
| 启用时 | <2秒 | ||
| 串电掩体 | Yes | ||
| 电阻降 | PNP:(+Vs-1.5V)±0.5V,Rload=10KΩ NPN:(+1.5V)±0.5V,Rload=10KΩ | ||
| 泄电 | ±100 μA MAX. | ||
| 打开壮况 | 常开触点开关开关+常闭触点开关开关 NO+NC | ||
| 经常高精准度 | ±1mm | ||
| 缓慢 | ±1mm | ||
| 呼合阶段 | 0.1s | ||
| 按时 | 0.0...10.0s(可以调整) | ||
| 问题平均温度 | -40...+150℃ | ||
| 良好氛围气温 | <98%RH,冷凝水 | ||
| 寄存室内温度 | -40...+150℃ | ||
| 抗氧化品阶 | IP67、IP69K(带非常适合电缆) | ||
| 震动问题(正弦函数形) | 1.6mm P-P(2...25Hz)、4g(25...100Hz)、1倍频程/半个小时 | ||
&♔nbsp; 没(mei)有(you)各(ge)种物质(zhi),没(mei)有(you)各(ge)种精确(que)测量(liang)国家使命,只(🦩zhi)需接触点物位检(jian)测工(gong)具,俺(an)们(men)总(zong)会为您供应适于的除理工(gong)作计划。
通用点物位检测——合用于任何介质

点物位检测:
๊ 不顾是哪几种(zhong)媒(mei)质范(fan)本(ben),微波射(she)频导纳感(gan)应(ying)器(qi)(qi)器(qi)(qi)都(dou)能靠受得了、切(qie)确地探测储(chu)存罐、容器(qi)(qi)类或管(guan)道网(wang)中媒(mei)质的𓆉(de)点物位。如此便就能够可能可能尽快专利泵空转美景和(he)杜绝媒(mei)质多(duo)余(yu)。

检测泡沫和分手层:
指明方向差值开启保健作用,频射导纳传调节器器还能测量不爱了后层,如红啤酒/汽泡不爱了后层或油/水不爱了后层,这是由于可设立双路按钮量输出的,频射导纳传调节器器要能而你而你靠经得住地体现物料测量,并切确区分差级别透明液体。立体图形化的展现保健作用确保安全加工速度要能而你而你更大效地停下追溯到和提升。产物亮点:
本身传调节器器一起合吃于这个世界媒介:

物位丈量:
接纳孩子智能化扫频手艺活消停点物位测量: 靠经得住测试各大物质 撑持各个应用程序毗连 好用于公共卫生该行业和高新产业应用 导电介质温度因素可高达200℃坚忍耐用,进程宁静性高:
坚毅的不锈钢材质的调节器器金属外壳——同用于溫度偶尔修改的刻薄出厂现状 PEEK调节器器感应器——干净型想法,非常易干净 不用磁性导电介质不良影响——没有误报警信号,尽才能和缩减欠费时刻 好用于不顾一切物料——全自动、膏状、黏力或粉末介固
同屏在线发消息
相干生成物
